注意:访问本站需要Cookie和JavaScript支持!请设置您的浏览器! 打开购物车 查看留言付款方式联系我们
初中电子 单片机教材一 单片机教材二
搜索上次看见的商品或文章:
商品名、介绍 文章名、内容
首页 电子入门 学单片机 免费资源 下载中心 商品列表 象棋在线 在线绘图 加盟五一 加入收藏 设为首页
本站推荐:
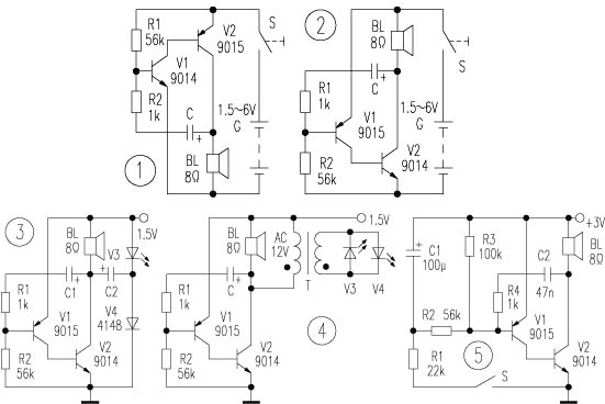
讯响器和LED点亮实验
文章长度[1614] 加入时间[2006/7/1] 更新时间[2026/3/15 12:09:57] 级别[3] [评论] [收藏]

2003年,第9期,类别:电子技校


    1. 电路简介。 图1是讯响器(又称音频振荡器、信号发生器)的典型电路。按图在面包板上连好电路,当电容器C从3.3nF~100μF取不同的值时,扬声器可发出不同的音调响声,将C定在47nF左右,改变R1的值,扬声器的发声音调也可发生变化。注意R1不可太小,一般应大于1kΩ,否则易使V1损坏。如果万用表的两表笔并接在R1的两端,量程选择旋钮放在交直流电压的不同挡位转动,也可使扬声器的发声音调发生变化。将图1的V1和V2换一下位置变成图2电路,也有相同效果。
    2. 工作原理。 以图2电路为例,刚接通电源时,由于电容C两端电压不能突变,等效为短路,所以V1的b极电压不足以使V1导通,V1、V2均处于截止状态。随着电容C的充电电流减少,其b极电压降低,从而使V1、V2导通。扬声器BL发出响声,由于V2的导通,使电容C的正极电位降低,V1基极电位也跟着降低,V1、V2迅速饱和导通,形成正反馈。C通过V2迅速放完电后又被反充电,充电回路是+1.5V经V1的b-e结、R1、C、V2的c-e结到电源负极。随着C的充电,V1基极电位逐渐升高。最后使V1、V2由导通变为截止,完成一个周期。随后电路又通过BL、R1、R2对C充电,C两端电压再次逐渐升高,电路进入下一个循环,周而复始。若将图2中的电容值取大一些,如100μF,通过万用表的测量就可观察上述的物理过程。
    3. 1.5V点亮LED。 一般LED(发光二极管)正常发光所需电压都不低于1.5V,所以只用一节干电池难以直接使LED发光。但利用讯响器电路就可用一节干电池点亮LED,并且还可点亮串联的多个LED,下面介绍有此功能的实验电路。
    电路如图3,此电路是在图2电路的基础上加了一只LED V3管组成的点亮电路。C取不同的值时,可使V3有不同的亮度。当V3较亮时,用两个以上的LED串联起来还能亮。将C取值大一些,可以直观地观察电路工作,即V3的发光与BL的发声也即V1、V2的导通有什么样的对应关系。但如将讯响器BL改为8~10Ω的电阻,V3将不能发光,由此可说明电路中因存在有电感,而使LED点亮的。
    由电感产生的自感电动势的方向可由图4说明。
    图4的电路中,T为5W左右的小电源变压器,C取100μF,可观察V3、V4是否同时发光;用万用表测V2的Vce,可观察其Vce的变化(BL发声与否)和V3、V4的闪亮有什么样的对应关系。此实验可说明线圈的互感现象和互感电动势的有关问题。
    图4中两个小圆点表示线圈的同名端,按图中所示,当V2截止时,圆点端为感生电动势的正极。
    通过实验可知,串接那么多LED仍能发光,电压比较高。但为什么只有一个LED时,仍发光而并不过压损坏呢?请读者思考。
    4. 趣味电路。 电路如5所示,此电路主要是利用了C1的充放电,从而使V1的基极电位发生变化,造成扬声器发出不断变化的声音,改变R1或R3的值,可使声音效果发生变化。也可用另一讯响器使声音自动发生变化。



1、 本站不保证以上观点正确,就算是本站原创作品,本站也不保证内容正确。
2、如果您拥有本文版权,并且不想在本站转载,请书面通知本站立即删除并且向您公开道歉! 以上可能是本站收集或者转载的文章,本站可能没有文章中的元件或产品,如果您需要类似的商品请 点这里查看商品列表!
本站协议 | 版权信息 |  关于我们 |  本站地图 |  营业执照 |  发票说明 |  付款方式 |  联系方式
深圳市宝安区西乡五壹电子商行——粤ICP备16073394号-1;地址:深圳西乡河西四坊183号;邮编:518102
E-mail:51dz$163.com($改为@);Tel:(0755)27947428
工作时间:9:30-12:00和13:30-17:30和18:30-20:30,无人接听时可以再打手机13537585389