注意:访问本站需要Cookie和JavaScript支持!请设置您的浏览器! 打开购物车 查看留言付款方式联系我们
初中电子 单片机教材一 单片机教材二
搜索上次看见的商品或文章:
商品名、介绍 文章名、内容
首页 电子入门 学单片机 免费资源 下载中心 商品列表 象棋在线 在线绘图 加盟五一 加入收藏 设为首页
本站推荐:
12键500/2000米遥控模块
文章长度[12238] 加入时间[2006/7/1] 更新时间[2026/4/1 2:05:03] 级别[3] [评论] [收藏]





    目前市场上常见的无线遥控器都是四通道的,这主要是因为大部分需要遥控的场合,四通道已经足够,但是如果需要用一个遥控器对多于4个接收装置进行遥控,也就是组成一发多收系统时,就非常不方便。常见应用比如遥控大型沙盘模型、遥控整个小区的安防设备、遥控家里的多个电器设备等等。


    这款12键的遥控模块就是为了满足上述需求开发的。它内部的编解码芯片仍然是用PT2262/PT2272,因为PT2262/PT2272具有四个并行的数据通道A、B、C、D,所以通过不同的二极管供电逻辑组合可以产生16种不同的方式,我们只利用了其中的12种,对应遥控手柄上的12个按键。

图像点击放大  


12键500米发射器,带拉杆天线 40元一个


性能熟悉:


    发射手柄上有1~12个按键,当按动时发射机上的其中一个按键时,电路会被立即激活而并进入发射状态,静态时不耗电。机内装配的电池只被用于点发射状态。当用于报警设定和电器开关时,每节电池一般可用到一年以上,电池的容量为45mAH。


  


12键2000米发射器,带拉杆天线,使用9V层叠电池供电,遥控距离远。88元一个


 


超再生插针式长方形接收板:体积:48x20x8毫米(15元一个)


    12键遥控器的遥控接收板见上图,下表为发射机按键和接收板数据输出的对应关系。




































































































发射机

SB-JS1接收板的10/11/12/12/17脚输出电平

按键

13

12

11

10

17

1

0

0

0

1

1

2

0

0

1

0

1

3

0

0

1

1

1

4

0

1

0

0

1

5

0

1

0

1

1

6

0

1

1

1

1

7

1

0

0

0

1

8

1

0

0

1

1

9

1

0

1

0

1

10

1

0

1

1

1

11

1

1

0

0

1

12

1

1

0

1

1

“1”表示按下相应发射机按键时接
收机的对应数据通道发出高电平

12键遥控器接收板B 价格:68元一个



   如果要求实现12路互相独立“触发翻转型,D型触发逻辑”,例如按一下1号键,对应的第一路继电器吸合并保持,再按一下1号键,对应的第一路继电器释放并保持,其它通道也相同,互相不影响,这就是触发翻转型控制逻辑也叫自锁模式。


    这可以考虑使用我们新开发的采用了抗干扰能力强,带看门狗的菲利普单片机P87LPC762芯片做的12键遥控器接收板B,外形尺寸:100x105x12毫米 电源电压直流12伏,可以使用常见的12伏交流稳压电源将电源插头插入板上的电源插座中供电,或者通过接线柱接入12伏直流电压供电,注意如果需要同时驱动多路继电器电源容量要足够,建议大于1A的12V稳压电源


    我们可以提供12V/1000毫安的交流稳压电源,每个20元。


    这种接收板采用大电流继电器,每个继电器可以最大承受240V交流电压/7A的工作电流,可以直接驱动交流负载,每个继电器都带有一组常开转常闭的触点和相应的接线柱,每组继电器都有对应的发光二极管指示灯指示吸合还是断开工作位置。


3。智能型单继电器触发翻转/非锁存接收板D 价格:58元一个,不含接线盒及面板



    这是我们最近用菲利普922单片机开发的单路触发翻转/非锁存接收板D,专门配合12键遥控器作为多点分布式遥控用。



产品特点:

1。直接采用220V交流供电,方便快捷,并且外形兼容常见的86型开关盒,可以方便改造。
2。采用240V/7A的继电器输出,可以轻松控制1000W以内的负载,有单片机抗干扰设计,允许控制:电机、电子节能灯、电视机等负载。
3。动作输出时有声光指示,例如:继电器吸合后,蜂鸣器会发出“嘀--”的一声,继电器断电后,蜂鸣器会发出“嘀--嘀--”两声。
4。可以选择触发翻转/非锁存两种工作模式。
5。在触发翻转模式时,还具备“强制关闭”功能,也就是只要按下12键遥控器的第12号按键,不管若干个接收板D处于打开还是关闭状态都立即强制关断,确保负载断电。
6。采用高可靠全密封超小型电源变压器,具有:体积小、不发热、使用寿命长、工作可靠的优点。
7。采用菲利普公司的922单片机,自带看门狗,对遥控接收头干扰小,FLSH存储器可以随时修改程序改变控制功能,批量定购时可以为客户专门开发功能。
8。预留手动按钮端口,只要在图中的两个焊盘上接一个门铃按钮,只要按一下按钮,负载就会通电,再按一下按钮负载就会断电,并且可以和遥控混合控制。


使用方法:


1。两根绿线接220V交流电源,两根白线接负载即可。
2。选择工作模式:如果戴上标有“M”字样的跳线帽,工作在触发翻转模式,如果不戴,工作在非锁存模式,一物两用。
3。选择工作通道:板上有标有8、4、2、1的四个跳线帽,选择的通道等于戴上跳线帽数字的和,例如:选择接收板对应12键遥控器的第10号按键,您只要带上8和2跳线帽,4和1不戴即可;如果选择4号按键您只要带上4跳线帽,8、2和1不戴即可。


用途:

    1。家庭智能化改造,多个电器无线控制。例如用1号按键控制卫生间电灯,2号按键控制壁扇,3号控制电视机。4号控制音响,5号控制卧室照明,6号控制饮水机,7号控制电饭煲。。。。。。这样你只要拿一个遥控器,就能控制多达11个电器,而且如果你要出门时,只要按一下12号按键,所有的电器都会自动关闭,非常方便。这样改造好的无线遥控接收终端也为电脑网络远程控制时具备了硬件条件,经过专门开发,可以实现用电脑无线控制家中的电器,甚至远程网络控制。

    2。同样在工厂管理、小区自动控制等领域中也有广泛应用,站长认为市场前景广阔。


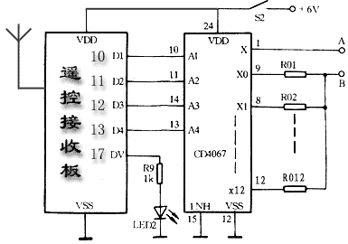
应用实例1:12键遥控数字电位器


  采用电位器进行音量控制的音响设备,使用一段时间后由于灰尘或其它原因,往往造成音量控制不灵或在调音量的时候引入令人厌烦的沙沙声。这里介绍的12键遥控数字电位器可克服以上缺点,它通过遥控器上的12个按键来控制音量的增减,利用电子开关来选通不同的音量控制电阻而实现音量调节,因而使用极为方便,且不会引入其它杂音。其电路原理图如下。



    CD4067为十六路模拟开关,其内部包括一个16选1的译码器和被译码输出所控制的16个双向模拟开关,当禁止端INH为低电平0时,X0-X15中被选中的一个输入端与输出公共端X(即1脚)接通,被选通端由外部地址输入端A1~A4决定,当INH为高电平1时,处于禁止状态,所有模拟开关均不接通。

     当分别按动遥控器上的1~12个按键时,D1~D4依次输出0001升至1101,该数据送入CD4067的地址输入端A1~A4,对应于模拟开关从x0至x11依次和1脚接通,而x0至x11分别接有阻值逐渐减小的电阻,这样A、B之间的阻值会慢慢减小,音量相应慢慢增大;与上相反,音量将慢慢增大。接收模块板的第17脚接有一个发光二极管LED2,可以同步指示接收成功信号。


    该音量调节器可直接替代音响设备中的音量电位器,使用时将它串接于前置放大器和功率放大器之间,它还可以直接用于使用电位器调节电阻的其它场所。


应用2:作为单片机系统的无线键盘


    12键遥控器另一个重要的用途就是作为单片机系统的一个无线键盘,用单片机的中断来检测遥控接收模块的第17脚是否出现高电平?如果出现,经过软件抗干扰检测后立即读遥控接收模块的第10~13脚数据,这样就能知道发射机按了哪一个按键了。单片机可以把这个数据作为自己用或者通过RS232再传给上位机电脑使用。

1、 本站不保证以上观点正确,就算是本站原创作品,本站也不保证内容正确。
2、如果您拥有本文版权,并且不想在本站转载,请书面通知本站立即删除并且向您公开道歉! 以上可能是本站收集或者转载的文章,本站可能没有文章中的元件或产品,如果您需要类似的商品请 点这里查看商品列表!
本站协议 | 版权信息 |  关于我们 |  本站地图 |  营业执照 |  发票说明 |  付款方式 |  联系方式
深圳市宝安区西乡五壹电子商行——粤ICP备16073394号-1;地址:深圳西乡河西四坊183号;邮编:518102
E-mail:51dz$163.com($改为@);Tel:(0755)27947428
工作时间:9:30-12:00和13:30-17:30和18:30-20:30,无人接听时可以再打手机13537585389