注意:访问本站需要Cookie和JavaScript支持!请设置您的浏览器! 打开购物车 查看留言付款方式联系我们
初中电子 单片机教材一 单片机教材二
搜索上次看见的商品或文章:
商品名、介绍 文章名、内容
首页 电子入门 学单片机 免费资源 下载中心 商品列表 象棋在线 在线绘图 加盟五一 加入收藏 设为首页
本站推荐:
用单片机控制步进电机
文章长度[] 加入时间[2007/8/14] 更新时间[2026/4/2 14:34:29] 级别[0] [评论] [收藏]

用单片机控制步进电机
 


步进电机是机电控制中一种常用的执行机构,它的用途是将电脉冲转化为角位移,通俗地说:当步进驱动器接收到一个脉冲信号,它就驱动步进电机按设定的方向转动一个固定的角度(及步进角)。通过控制脉冲个数即可以控制角位移量,从而达到准确定位的目的;同时通过控制脉冲频率来控制电机转动的速度和加速度,从而达到调速的目的。 

 

一、步进电机常识
    常见的步进电机分三种:永磁式(PM),反应式(VR)和混合式(HB),永磁式步进一般为两相,转矩和体积较小,步进角一般为7.5度 或15度;反应式步进一般为三相,可实现大转矩输出,步进角一般为1.5度,但噪声和振动都很大。在欧美等发达国家80年代已被淘汰;混合式步进是指混合了永磁式和反应式的优点。它又分为两相和五相:两相步进角一般为1.8度而五相步进角一般为 0.72度。这种步进电机的应用最为广泛。

二、永磁式步进电机的控制
    下面以电子爱好者业余制作中常用的永磁式步进电机为例,来介绍如何用单片机控制步进电机。
    图1是35BY型永磁步进电机的外形图,图2是该电机的接线图,从图中可以看出,电机共有四组线圈,四组线圈的一个端点连在一起引出,这样一共有5根引出线。要使用步进电机转动,只要轮流给各引出端通电即可。将COM端标识为C,只要AC、 C、BC、 C,轮流加电就能驱动步进电机运转,加电的方式可以有多种,如果将COM端接正电源,那么只要用开关元件(如三极管),将A、 、B、 轮流接地。
    下表列出了该电机的一些典型参数:
表1 35BY48S03型步机电机参数
型号 步距角 相数 电压 电流 电阻 最大静转距 定位转距 转动惯量
35BY48S03 7.5 4 12 0.26 47 180 65 2.5
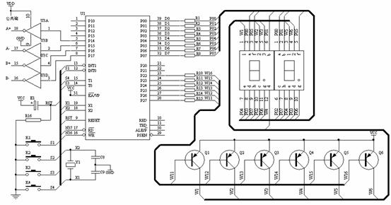
    有了这些参数,不难设计出控制电路,因其工作电压为12V,最大电流为0.26A,因此用一块开路输出达林顿驱动器(ULN2003)来作为驱动,通过P1.4~P1.7来控制各线圈的接通与切断,电路如图3所示。开机时,P1.4~P1.7均为高电平,依次将P1.4~P1.7切换为低电平即可驱动步进电机运行,注意在切换之前将前一个输出引脚变为高电平。如果要改变电机的转动速度只要改变两次接通之间的时间,而要改变电机的转动方向,只要改变各线圈接通的顺序。

 

 
 

图1 35BY48S03型步进电机外形图

 

 

 
 

图2 35BY48S03型步进电机的接线图


 
 
 
 

图3 单片机控制35BY48S03型步进电机的电路原理图


三、步进电机的驱动实例
    要求:控制电路如图3所示,开机后,电机不转,按下启动键,电机旋转,速度为25转/分,按下加1键,速度增加,按下减1键,速度降低,最高速度为100转/分,最低转带为25转/分,按下停止键,电机停转。速度值要求在数码管上显示出来。

 

1.要求分析
    按上面的分析,改变转速,只要改变P1.0~P1.3轮流变低电平的时间即可达到要求,这个时间不应采用延时来实现,因为会影响到其他功能的实现。这里以定时的方式来实现。下面首先计算一下定时时间。
按要求,最低转速为25转/分,而上述步进电机的步距角为7.5,即每48个脉冲为1周,即在最低转速时,要求为1200脉冲/分,相当于50ms/脉冲。而在最高转速时,要求为100转/分,即48000脉冲/分,相当于12.5ms/脉冲。可以列出下表
表1 步进电机转速与定时器定时常数关系
速度 单步时间(us) TH1 TL1 实际定时(us)
25 50000 76 0 49996.8
26 48077 82 236 48074.18
27 46296 89 86 46292.61
28 44643 95 73 44640.155
… … … … …
100 12500 211 0 12499.2
    表中不仅计算出了TH1和TL1,而且还计算出了在这个定时常数下,真实的定时时间,可以根据这个计算值来估算真实速度与理论速度的误差值。
表中TH1和TL1是根据定时时间算出来的定时初值,这里用到的晶振是11.0592M。有了上述表格,程序就不难实现了,使用定时/计数器T1为定时器,定时时间到后切换输出脚即可。

2.程序实现
    定义DSB-1A实验板的S1为启动键,S2为停止键,S3为加1键,S4为减1键,程序如下:
 
StartEnd bit  01H ;起动及停止标志
MinSpd  EQU 25  ;起始转动速度
MaxSpd   EQU 100 ;最高转动速度
Speed  DATA 23H ;流动速度计数
DjCount  DATA 24H ;控制电机输出的一个值,初始为11110 111
Hidden EQU 10H ;消隐码
Counter DATA 57H ;显示计数器
DISPBUF DATA 58H ;显示缓冲区

    ORG    0000H
    AJMP   MAIN
ORG 000BH
JMP DISP
ORG 001BH
JMP DJZD
    ORG     30H
MAIN:   
    MOV   SP,#5FH
    MOV   P1,#0FFH
MOV A,#Hidden
MOV DispBuf,A
MOV DispBuf+1,A
MOV DispBuf+2,A

MOV DjCount,#11110111B 
    MOV   SPEED,#MinSpd ;起始转动速度送入计数器
    CLR    StartEnd ;停转状态
MOV TMOD,#00010001B ;
MOV TH0,#HIGH(65536-3000)
MOV TL0,#LOW(65536-3000)
MOV TH1,#0FFH;
MOV TL1,#0FFH
SETB TR0
SETB EA
SETB ET0
SETB ET1

LOOP:  ACALL   KEY   ;键盘程序
    JNB     F0,m_NEXT1 ;无键继续
    ACALL   KEYPROC  ;否则调用键盘处理程序
m_NEXT1:
MOV A,Speed
MOV B,#10
DIV AB
MOV DispBuf+5,B ;最低位
MOV B,#10
DIV AB
MOV DispBuf+4,B
MOV DispBuf+3,A
JB StartEnd,m_Next2
CLR TR1 ;关闭电机
JMP LOOP
ORL P1,#11110000B
m_Next2:
SETB TR1 ;启动电机
    AJMP   LOOP  ;主程序结束
;---------------------------------------
D10ms:  
……
;---------延时程序,键盘处理中调用
KEYPROC:
    MOV     A,B  ;获取键值
    JB      ACC.2,StartStop  ;分析键的代码,某位被按下,则该位为1
    JB      ACC.3,KeySty
    JB      ACC.4,UpSpd
    JB      ACC.5,DowSpd
    AJMP    KEY_RET
StartStop:
    SETB StartEnd    ;启动
    AJMP    KEY_RET
KeySty:  
CLR StartEnd; ;停止
    AJMP    KEY_RET
UpSpd:
    INC     SPEED;
    MOV    A,SPEED
    CJNE    A,#MaxSpd,K1 ;到了最多的次数?
    DEC     SPEED ;是则减去1,保证下次仍为该值 
K1:
    AJMP    KEY_RET
DowSpd:
    DEC     SPEED
    MOV     A,SPEED
    CJNE    A,#MAXSPD,KEY_RET ;不等(未到最大值),返回
MOV SPEED,#MinSpd; 
KEY_RET:
    RET

KEY:    
……获取键值的程序
    RET

DjZd: ;定时器T1用于电机转速控制
PUSH ACC
PUSH PSW
MOV A,Speed
SUBB A,#MinSpd ;减基准数
MOV DPTR,#DjH
MOVC A,@A+DPTR
MOV TH1,A
MOV A,Speed
SUBB A,#MinSpd
MOV DPTR,#DjL
MOVC A,@A+DPTR
MOV TL1,A 
MOV A,DjCount
CPL A
ORL P1,A
MOV A,DjCount
JNB ACC.7,d_Next1
JMP d_Next2
d_Next1:
MOV DjCount,#11110111B
d_Next2:
MOV A,DjCount
RL A
MOV DjCount,A ;回存
ANL P1,A
POP PSW
POP ACC
RETI

DjH: DB 76,82,89,95,100,106,110,115,119,123,12……
DjL: DB 0,236,86,73,212,0,214,96,163,165
……

DISP: ;显示程序
POP PSW
POP ACC
……
RETI
BitTab: DB 7Fh,0BFH,0DFH,0EFH,0F7H,0FBH
DISPTAB:DB 0C0H,0F9H,0A4H,0B0H,99H,92H,82H,0F8H,80H,90H,88H,83H,0C6H,0A1H,86H,8EH,0FFH
END 

3.程序分析
    本程序主要由键盘程序、显示器程序、步进电机驱动程序三部份组成,主程序首先初始化各变量,将显示器的高3位消隐,步进电机驱动的各引脚均输出高电平,然后调用键盘程序,并作判断,如果有键按下,则调用键盘处理程序,否则直接转下一步。下一步是将当前的转速值转换为BCD码,送入显示缓冲区;接着判断StartEnd这个位变量,是“1”还是“0”,如果是“1”,则开启定时器T1,否则关闭定时器T1,为防止关闭时某一相线圈长期通电,因此,在关闭定时器T1时,将P1.0~P1.3均置高。至此,主程序的工作即结束。这里为简便起见,这里没有做高位“0”消隐的工作,即如果速度为10转/分,则显示值“010”,读者可以自行加入相关的代码来处理这一工作。
    步进电机的驱动工作是在定时器T1的中断服务程序中实现的,由前述分析,每次的定时时间到达以后,需要将P1.0~P1.3依次接通,程度中用了一个变量DjCntr来实现这一功能,在主程序初始化时,该变量被赋予初值11110111B,进入到定时中断以后,将该变量取出送ACC累加器,并在累加器中进行左移,这样,该数值就变为1110 1111,然后将该数与P1相“与”,此时,P1.4即输出低电平,第二次进入中断时,先将该数取反,成为 0001 0000,然后将该数与P1相“或”,这样,P1.4即输出高电平,关断了相应的线圈,然后将该数重新取出,并作左移,即 1110,1111右移成为1101 1111,将该数与P1相“与”,这样P1.5即输出低电平,依次类推,P1.7~P1.4即循环输出低电平。当这一数据变为0111 1111后,需要作适当的改动,将数据重新变回 1111 0111,进行第二次循环,相关代码,请读者自行分析。
    定时时间又是如何确定的呢?这里用的是查表的方法,首先用Excel计算得出在每一种转速下的TH值和TL值,然后,分别放入DjH和DjL表中,在进入T1中断程序之后,将速度值变量Speed送入累加器ACC,然后减去基数25,使其基数从0开始计数,然后分别查表,送入TH1和TL1,实现重置定时初值的目的。

1、 本站不保证以上观点正确,就算是本站原创作品,本站也不保证内容正确。
2、如果您拥有本文版权,并且不想在本站转载,请书面通知本站立即删除并且向您公开道歉! 以上可能是本站收集或者转载的文章,本站可能没有文章中的元件或产品,如果您需要类似的商品请 点这里查看商品列表!
本站协议 | 版权信息 |  关于我们 |  本站地图 |  营业执照 |  发票说明 |  付款方式 |  联系方式
深圳市宝安区西乡五壹电子商行——粤ICP备16073394号-1;地址:深圳西乡河西四坊183号;邮编:518102
E-mail:51dz$163.com($改为@);Tel:(0755)27947428
工作时间:9:30-12:00和13:30-17:30和18:30-20:30,无人接听时可以再打手机13537585389