| 注意:访问本站需要Cookie和JavaScript支持!请设置您的浏览器! • 打开购物车 • 查看留言 • 付款方式 • 联系我们 |
![]() |
| 首页 | 电子入门 | 学单片机 | 免费资源 | 下载中心 | 商品列表 | 象棋在线 | 在线绘图 | 加盟五一 | 加入收藏 | 设为首页 |
| 选择分类:当前分类——学单片机 相关联或者相类似的文章: 和初学者说说我学单片机的经过(773) 通过日期算星期的C51源程序(757) AT89C2051制电子钟时钟源程序 (754) 多功能AT89C2051倒计时器(753) 24c256程序(734) ★单片双路四位计数器程序全0快版(732) C51的一些误区和注意事项(730) DS1820高精度测温的理论依据(729) AT89C51制作的简单计数器(724) 89S51单片机(722) 用RC充电的方法实现温度的检测(722) 关于单片机的N多问题(719) 采用AT89C2051兼容芯片制作六位数显多路定时电子钟(714) 数字式温度/湿度测量计(712) 超声波智能测距传感模块(707) 青春舞曲的音乐程序 (706) 35. DS18B20数字温度计使用 (700) 超声波测距 (698) 单片机演奏音乐的实现(695) OCM12232系列点阵型液晶显示模块 (695) 首页 前页 后页 尾页 本站推荐: | 11. 00-59秒计时器(利用软件延时) 1. 实验任务
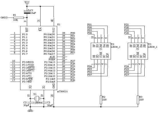
如下图所示,在AT89S51单片机的P0和P2端口分别接有两个共阴数码管,P0口驱动显示秒时间的十位,而P2口驱动显示秒时间的个位。
2. 电路原理图
![]() 图4.11.1
3. 系统板上硬件连线
(1. 把“单片机系统”区域中的P0.0/AD0-P0.7/AD7端口用8芯排线连接到“四路静态数码显示模块”区域中的任一个a-h端口上;要求:P0.0/AD0对应着a,P0.1/AD1对应着b,……,P0.7/AD7对应着h。
(2. 把“单片机系统”区域中的P2.0/A8-P2.7/A15端口用8芯排线连接到“四路静态数码显示模块”区域中的任一个a-h端口上;要求:P2.0/A8对应着a,P2.1/A9对应着b,……,P2.7/A15对应着h。
4. 程序设计内容
(1. 在设计过程中我们用一个存储单元作为秒计数单元,当一秒钟到来时,就让秒计数单元加1,当秒计数达到60时,就自动返回到0,从新秒计数。
(2. 对于秒计数单元中的数据要把它十位数和个数分开,方法仍采用对10整除和对10求余。
(3. 在数码上显示,仍通过查表的方式完成。
(4. 一秒时间的产生在这里我们采用软件精确延时的方法来完成,经过精确计算得到1秒时间为1.002秒。
DELY1S: MOV R5,#100
D2: MOV R6,#20
D1: MOV R7,#248
DJNZ R7,$
DJNZ R6,D1
DJNZ R5,D2 RET
5. 程序框图
图4.11.2
6. 汇编源程序
Second EQU 30H
ORG 0
START: MOV Second,#00H
NEXT: MOV A,Second
MOV B,#10
DIV AB
MOV DPTR,#TABLE
MOVC A,@A+DPTR
MOV P0,A
MOV A,B
MOVC A,@A+DPTR
MOV P2,A
LCALL DELY1S
INC Second
MOV A,Second
CJNE A,#60,NEXT
LJMP START
DELY1S: MOV R5,#100
D2: MOV R6,#20
D1: MOV R7,#248
DJNZ R7,$
DJNZ R6,D1
DJNZ R5,D2
RET
TABLE: DB 3FH,06H,5BH,4FH,66H,6DH,7DH,07H,7FH,6FH
END
7. C语言源程序
#include <AT89X51.H>
unsigned char code table[]={0x3f,0x06,0x5b,0x4f,0x66,
0x6d,0x7d,0x07,0x7f,0x6f};
unsigned char Second;
void delay1s(void)
{
unsigned char i,j,k;
for(k=100;k>0;k--)
for(i=20;i>0;i--)
for(j=248;j>0;j--);
}
void main(void)
{
Second=0;
P0=table[Second/10];
P2=table[Second%10];
while(1)
{
delay1s();
Second++;
if(Second==60)
{
Second=0;
}
P0=table[Second/10];
P2=table[Second%10];
}
} 1、 本站不保证以上观点正确,就算是本站原创作品,本站也不保证内容正确。 2、如果您拥有本文版权,并且不想在本站转载,请书面通知本站立即删除并且向您公开道歉! |
|
本站协议 |
版权信息 |
关于我们 |
本站地图 |
营业执照 |
发票说明 |
付款方式 |
联系方式
深圳市宝安区西乡五壹电子商行——粤ICP备16073394号-1;地址:深圳西乡河西四坊183号;邮编:518102 E-mail:51dz$163.com($改为@);Tel:(0755)27947428 工作时间:9:30-12:00和13:30-17:30和18:30-20:30,无人接听时可以再打手机13537585389 |