进入框架页面 

 21. 拉幕式数码显示技术

1. 实验任务

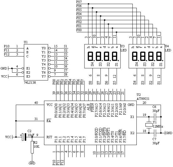
用AT89S51单片机的P0.0/AD0-P0.7/AD7端口接数码管的a-h端,8位数码管的S1-S8通过74LS138译码器的Y0-Y7来控制选通每个数码管的位选端。AT89S51单片机的P1.0-P1.2控制74LS138的A,B,C端子。在8位数码管上从右向左循环显示“12345678”。能够比较平滑地看到拉幕的效果。

2. 电路原理图

图4.21.1

3. 系统板上硬件连线

(1. 把“单片机系统”区域中的P0.0/AD0-P0.7/AD7用8芯排线连接到“动态数码显示”区域中的a-h端口上;

(2. 把“三八译码模块”区域中的Y0-Y7用8芯排线连接到“动态数码显示”区域中的S1-S8端口上;

(3. 把“单片机系统”区域中的P1.0-P1.2端口用3根导线连接到“三八译码模块”区域中的A、B、C“端口上;

4. 程序设计方法

(1. 动态数码显示技术;如何进行动态扫描,由于一次只能让一个数码管显示,因此,要显示8位的数据,必须经过让数码管一个一个轮流显示才可以,同时每个数码管显示的时间大约在1ms到4ms之间,所以为了保证正确显示,我必须每隔1ms,就得刷新一个数码管。而这刷新时间我们采用单片机的定时/计数器T0来控制,每定时1ms对数码管刷新一次,T0采用方式2。

(2. 在进行数码显示的时候,要对显示单元开辟8个显示缓冲区,每个显示缓冲区装有显示的不同数据即可。

5. 程序框图

主程序框图

中断服务程序框图

 

图4.21.2

6. 汇编源程序
DISPBUF EQU 30H
DISPCNT EQU 38H
DISPBIT EQU 39H
T1CNTA EQU 3AH
T1CNTB EQU 3BH
CNT EQU 3CH

ORG 00H
LJMP START
ORG 0BH
LJMP INT_T0
START: MOV DISPCNT,#8
MOV A,#10
MOV R1,#DISPBUF
LP: MOV @R1,A
INC R1
DJNZ DISPCNT,LP
MOV DISPBIT,#00H
MOV T1CNTA,#00H
MOV T1CNTB,#00H
MOV CNT,#00H
MOV TMOD,#01H
MOV TH0,#(65536-1000) / 256
MOV TL0,#(65536-1000) MOD 256
SETB TR0
SETB ET0
SETB EA
SJMP $

INT_T0:
MOV TH0,#(65536-1000) / 256
MOV TL0,#(65536-1000) MOD 256
MOV A,DISPBIT
ADD A,#DISPBUF
MOV R0,A
MOV A,@R0
MOV DPTR,#TABLE
MOVC A,@A+DPTR
MOV P0,A
MOV A,P1
ANL A,#0F8H
ADD A,DISPBIT
MOV P1,A
INC DISPBIT
MOV A,DISPBIT
CJNE A,#08H,NEXT
MOV DISPBIT,#00H
NEXT: INC T1CNTA
MOV A,T1CNTA
CJNE A,#50,LL1
MOV T1CNTA,#00H
INC T1CNTB
MOV A,T1CNTB
CJNE A,#8,LL1
MOV T1CNTB,#00H
INC CNT
MOV A,CNT
CJNE A,#9,LLX
MOV CNT,#00H
MOV A,CNT
LLX: CJNE A,#01H,NEX1
MOV 30H,#8
LL1: LJMP DONE
NEX1: CJNE A,#02H,NEX2
MOV 31H,#8
MOV 30H,#8
LJMP DONE
NEX2: CJNE A,#03H,NEX3
MOV 32H,#8
MOV 31H,#8
MOV 30H,#8
LJMP DONE
NEX3: CJNE A,#04H,NEX4
MOV 33H,#8
MOV 32H,#8
MOV 31H,#8
MOV 30H,#8
LJMP DONE
NEX4: CJNE A,#05H,NEX5
MOV 34H,#8
MOV 33H,#8
MOV 32H,#8
MOV 31H,#8
MOV 30H,#8
LJMP DONE
NEX5: CJNE A,#06H,NEX6
MOV 35H,#8
MOV 34H,#8
MOV 33H,#8
MOV 32H,#8
MOV 31H,#8
MOV 30H,#8
LJMP DONE
NEX6: CJNE A,#07H,NEX7
MOV 36H,#8
MOV 35H,#8
MOV 34H,#8
MOV 33H,#8
MOV 32H,#8
MOV 31H,#8
MOV 30H,#8
LJMP DONE
NEX7: CJNE A,#08H,NEX8
MOV 37H,#8
MOV 36H,#8
MOV 35H,#8
MOV 34H,#8
MOV 33H,#8
MOV 32H,#8
MOV 31H,#8
MOV 30H,#8
LJMP DONE
NEX8: CJNE A,#00H,DONE
MOV 37H,#10
MOV 36H,#10
MOV 35H,#10
MOV 34H,#10
MOV 33H,#10
MOV 32H,#10
MOV 31H,#10
MOV 30H,#10
LL: LJMP DONE
DONE: RETI
TABLE: DB 3FH,06H,5BH,4FH,66H,6DH,7DH,07H,7FH,6FH,00H
END
7. C语言源程序
#include <AT89X51.H>
unsigned char code dispcode[]={0x3f,0x06,0x5b,0x4f,
0x66,0x6d,0x7d,0x07,
0x7f,0x6f,0x77,0x7c,
0x39,0x5e,0x79,0x71,0x00};
unsigned char dispbitcode[]={0xf8,0xf9,0xfa,0xfb,
0xfc,0xfd,0xfe,0xff};
unsigned char dispbuf[8]={16,16,16,16,16,16,16,16};
unsigned char dispbitcnt;
unsigned int t02scnt;
unsigned char t5mscnt;
unsigned char u;
unsigned char i;

void main(void)
{
TMOD=0x02;
TH0=0x06;
TL0=0x06;
TR0=1;
ET0=1;
EA=1;
while(1);
}

void t0(void) interrupt 1 using 0
{
t5mscnt++;
if(t5mscnt==4)
{
t5mscnt=0;
P0=dispcode[dispbuf[dispbitcnt]];
P1=dispbitcode[dispbitcnt];
dispbitcnt++;
if(dispbitcnt==8)
{
dispbitcnt=0;
}
}
t02scnt++;
if(t02scnt==1600)
{
t02scnt=0;
u++;
if(u==9)
{
u=0;
}
for(i=0;i<8;i++)
{
dispbuf[i]=16;
}
for(i=0;i<u;i++)
{
dispbuf[i]=8;
}
}
}


以上资料来自于互联网!编辑整理:五一电子加油站;网址:http://51dz.com
欢迎光临五一电子商城!免费学习电子技术,面向全国邮购电子元件、实验套件!